  
Model CD74TBR-E/C is an inferential type, single stream vane wheel, wet dial water meter, and it’s suitable for domestic use. Brass body and adopt all antiseptic material, no leak.  
  
WORKING CONDITION: 
*The max. admissible water pressure:1.6MPa(16bar) 
*Water temp. : not more than 50℃ (cold water meter),  
  
Maximum permissible error: 
Between qt (included) and qs is ±2%; 
Between qmin and qt (excluded) is ±5%. 
NOTE: The technical data conform to ISO4064 standard, class C. 
  
FLOW-ERROR CURVE 
  
SPECIFICATION AND OVERAL DIMENSIONS 
| 
 Description  | 
 Unit  | 
 Hydraulic data and dimensions   |  
| 
 Nominal size  | 
 mm  | 
 15  | 
 20  |  
| 
 inch  | 
 1/2  | 
 3/4  |  
| 
 Overload flow-rate (qs)  | 
 m3/h  | 
 3  | 
 5  |  
| 
 Permanent flow-rate (qp)  | 
 m3/h  | 
 1.5  | 
 2.5  |  
| 
 Transitional flow-rate (qt)  | 
 m3/h  | 
 0.0225  | 
 0.0375  |  
| 
 Minimum flow-rate (qmin)  | 
 m3/h  | 
 0.015  | 
 0.025  |  
| 
 Max. reading   | 
 m3  | 
 99999.9999  | 
 99999.9999  |  
| 
 Min. reading  | 
 m3  | 
 0.00005  | 
 0.00005  |  
| 
 Max. working pressure   | 
 MPa  | 
 1.6  | 
 1.6  |  
| 
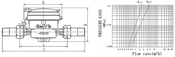
 ΔP at the qs   | 
 MPa  | 
 ≤0.1  | 
 ≤0.1   |  
| 
 L  | 
 mm  | 
 110  | 
 130  |  
| 
 I  | 
 mm  | 
 190  | 
 230  |  
| 
 H  | 
 mm  | 
 89  | 
 89  |  
| 
 B  | 
 mm  | 
 88  | 
 88  |   
                   OVERALL DIMENSIONS                                                                     PRESSURE LOSS CURVE   |