  
APPLICATION: MEASURING THE TOTAL VOLUME OF COLD POTABLE WATER PASSING THROUGH THE METER(ALSO SUITABLE FOR PURE WATER) 
  
OPERATING CONDITION:  
*THE MIN.ADMISSIBLE WATER PRESSURE 1.6MPa 
*RESISTING WATER TERPERATURE OF 50℃ 
  
SPECIALITY: 
* LOW START-UP FLOW-RATE 
* INSTALLATION IN ANY POSITION (SUCH AS LEVEL, VERTICAL)  
* POSITIVE ROTATING PISTON TYPE, WITH RELIABLE PERFORMANCE                 
* HIGH ACCURACY 
* BRASS BODY 
* ON REQUEST,THIS SERIES CAN BE EQUIPPED WITH THE PULSE DEVICE 
Maximum permissible error: 
Between qt (included) and qs is ±2%; 
Between qmin and qt (excluded) is ±5%. 
  
NOTE: The technical data conform to ISO4064 standard, class C. 
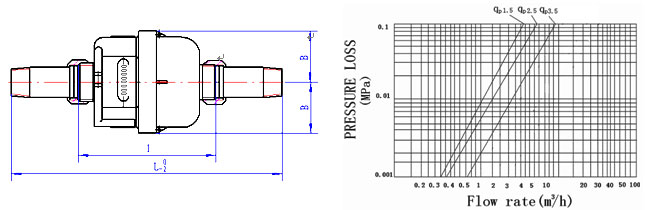
FLOW-ERROR CURVE 
  SPECIFICATION AND OVERAL DIMENSIONS
  
| 
 Description  | 
 Unit  | 
 Hydraulic data and dimensions  |  
| 
 Nominal size  | 
 mm  | 
 DN15  | 
 DN20  | 
 DN25  |  
| 
 inch  | 
 1/2  | 
 3/4  | 
 1  |  
| 
 Overload flow-rate (qs)  | 
 m3/h  | 
 3  | 
 5  | 
 7  |  
| 
 Permanent flow-rate (qp)  | 
 m3/h  | 
 1.5  | 
 2.5  | 
 3.5  |  
| 
 Transitional flow-rate (qt)  | 
 l/h  | 
 22.5  | 
 37.5  | 
 52.5  |  
| 
 Minimum flow-rate (qmin)  | 
 l/h  | 
 15  | 
 25  | 
 35  |  
| 
 Min. reading  | 
 l  | 
 0.1  | 
 0.1  | 
 0.1  |  
| 
 Max. reading  | 
 m3  | 
 99999.999  | 
 99999.999  | 
 99999.999  |  
| 
 Nominal pressure  | 
 MPa  | 
 1.6  | 
 1.6  | 
 1.6  |  
| 
 ΔP at the qs  | 
 MPa  | 
 ≤0.1  | 
 ≤0.1  | 
 ≤0.1  |  
| 
 L  | 
 mm  | 
 195  | 
 267  | 
 319  |  
| 
 I  | 
 mm  | 
 115  | 
 165  | 
 199  |  
| 
 B  | 
 mm  | 
 43  | 
 43  | 
 53  |  
| 
 Weight  | 
 With connections  | 
 Kg  | 
 1.14  | 
 1.56  | 
 2.48  |  
| 
 Without connections   | 
 0.97  | 
 1.3  | 
 2.05  |    OVERALL DIMENSIONS                                                                             PRESSURE LOSS CURVE
   |